格力电器获得实用新型专利授权:“一种塑化单元及包含其的注塑机”
证券之星消息,根据天眼查APP数据显示格力电器(000651)新获得一项实用新型专利授权,专利名为“一种塑化单元及包含其的注塑机”,专利申请号为CN202422151355.2,授权日为2025年6月6日。

图片来源于网络,如有侵权,请联系删除
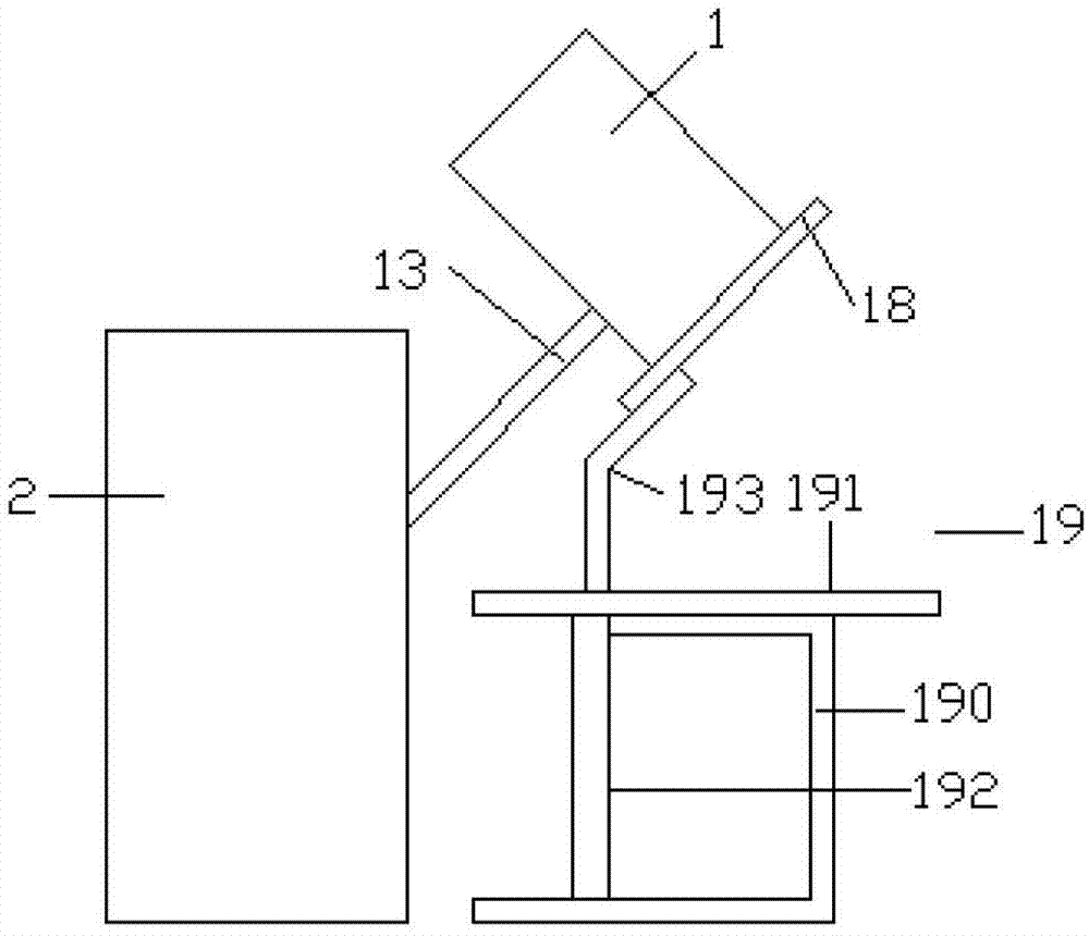
专利摘要:本实用新型提供了一种塑化单元及包含其的注塑机,涉及注塑技术领域,解决了生产小胶量零件时熔胶占比小、滞留时间长、易黄变、稳定性差的技术问题。该塑化单元,包括机嘴、中接、机筒、螺杆、衔接杆、衔接筒;所述衔接筒套设在所述机筒一端;所述衔接杆设置在所述衔接筒内;所述螺杆设置在所述所述机筒内,且一端伸入到所述衔接筒内与所述衔接杆连接;所述中接设置在所述机筒端部,并与所述机嘴连接;所述衔接筒和所述机筒上开设有进料口。本实用新型通过分段式螺杆结构,提高大模具小胶量零件熔胶占比、降低材料滞留时间。

图片来源于网络,如有侵权,请联系删除
今年以来格力电器新获得专利授权2628个,较去年同期减少了7.3%。结合公司2024年年报财务数据,2024年公司在研发方面投入了69.04亿元,同比增2.1%。

图片来源于网络,如有侵权,请联系删除
数据来源:天眼查APP
以上内容为证券之星据公开信息整理,由AI算法生成(网信算备310104345710301240019号),不构成投资建议。
目录 返回
首页
