盈动财经

宏微科技获得发明专利授权:“一种功率半导体模块及其安装方法”

20 06月
作者:小微|{/foreach}{/if}

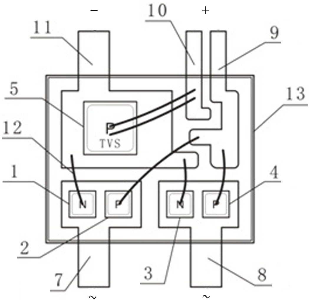
证券之星消息,根据天眼查APP数据显示宏微科技(688711)新获得一项发明专利授权,专利名为“一种功率半导体模块及其安装方法”,专利申请号为CN202011401054.0,授权日为2025年6月20日。

宏微科技获得发明专利授权:“一种功率半导体模块及其安装方法”
图片来源于网络,如有侵权,请联系删除

专利摘要:本发明涉及功率半导体模块制造技术领域,特别涉及一种功率半导体模块及其安装方法,包括壳体和覆金属陶瓷基板,壳体和覆金属陶瓷基板固定连接,功率半导体模块还包括壳体连接固定部,壳体连接固定部包括用于与壳体固定连接的连接部和用于连接散热器的固定部,将模块固定在散热器上时,此时覆金属陶瓷基板的底面为悬空状态,不会受到任何应力,杜绝了不当的安装手法将应力传递到覆金属陶瓷衬底上,存在的压裂陶瓷风险。

宏微科技获得发明专利授权:“一种功率半导体模块及其安装方法”
图片来源于网络,如有侵权,请联系删除

今年以来宏微科技新获得专利授权6个,较去年同期增加了20%。结合公司2024年年报财务数据,2024年公司在研发方面投入了1.1亿元,同比增1.54%。

通过天眼查大数据分析,江苏宏微科技股份有限公司共对外投资了9家企业,参与招投标项目53次;财产线索方面有商标信息23条,专利信息267条,著作权信息6条;此外企业还拥有行政许可28个。

数据来源:天眼查APP

以上内容为证券之星据公开信息整理,由AI算法生成(网信算备310104345710301240019号),不构成投资建议。

浏览60.4k
返回
目录
返回
首页
民营创投机构首批科创债发行落地,科创债ETF也来了 科创债年内发行已超8893亿元 市场认购积极

Copyright © 2024 dw 版权所有

备案号: 蜀ICP备2024051291号-17

盈动财经专业为您提供视野洞察、能源期货、黄金市场、金融市场、财经专题等财经方面资讯,盈动财经是一个专业财经领域资讯服务者。

本站部分内容为转载,不代表本站立场,如有侵权请联系处理。